IMPORTANT ANNOUNCEMENT
SIGMAKOKI CO.,LTD.
Sales Department
Dear Customers,
Thank you very much for your constant patronage.
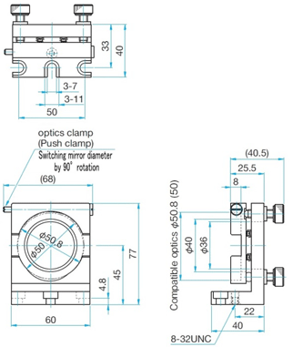
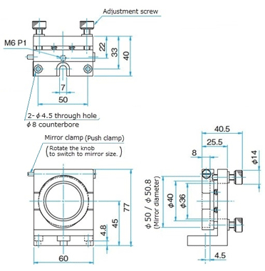
Please be announced that MHF-50F (One Touch Mirror Mount) will be discontinued at the end of February 2018.
Considering that its specification is overlapped with MHF-50.8F which can be used for both dia. 50 mm and 50.8 mm optics, we decided the discontinuation of MHF-50.
MHF-50.8F will be a replacement for MHF-50F in the beginning March, 2018.
When you want to put a post with 8-32 UNC screw on MHF-50.8F, please convert a screw size by AND-M6-8U.
Should you have any questions or concerns, please do not hesitate to contact us.
Thank you for your continued support.
| Discontinued products | Successor products |
| MHF-50F | MHF-50.8F |
![]() |
![]() |

