IMPORTANT ANNOUNCEMENT
SIGMAKOKI CO.,LTD.
Sales Department
Dear Customers,
Thank you very much for your constant patronage.
Please be advised that the part numbers of the Gimballed Beamsplitter Mounts (MHA-100S, MHA-130S) and the Dove Prism Holders (DBH-10) will be changed to reflect improvements in the specifications.
The new parts include all the functionality of the old parts.
The following tables show the specification changes.
The current versions will no longer be sold once stocks have been depleted. The new versions will be launched in the middle of November 2016.
If you request/order the current model, we will quote the newest models depending on old stock quantities.
Current stock status can be seen on the web site.
Please do not hesitate to contact us if you have any questions.
| Product name | Gimballed Beamsplitter Mounts | ![]() |
|
| Current Model | New Model | ||
| Part Number | MHA-100S | MHA-100SA | |
| Compatible Optics Thickness |
4-14.5mm | 4-15mm | |
| C | 20mm | 21mm | |
| Part Number | MHA-130S | MHA-130SA | |
| Compatible Optics Thickness |
7-17mm | 7-18mm | |
| C | 23mm | 24mm | |
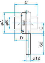
| Product name | Dove Prism Holders | ![]() |
|
| Current Model | New Model | ||
| Part Number | DBH-10 | DBHN-10 | |
| The scale plate | Fixed scale plate | Variable scale plate | |
| A | Φ59mm | Φ60mm | |
| D | 39mm | 41mm | |
| The lever | with | without | |

