製品についての重要なお知らせ
シグマ光機株式会社 東京本社 営業部
お客様各位
拝啓 貴社益々ご清栄の事とお喜び申し上げます。
また平素は格別のお引き立てを賜り厚く御礼申し上げます。
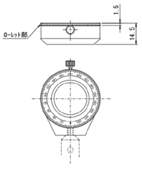
小型偏光子ホルダー(MPH シリーズ)は、使いやすさの向上のため、新製品への切り替え作業が行われています。
MPH-12.7R/12.7R-N、MPH-30R/30R-N に引き続き、MPH-25.4R/25.4RNが新製品に切り替わります。
切り替えによる小型偏光子ホルダーの仕様変更点については下記をご覧ください。
このモデルチェンジに伴って、重要なお知らせがございます。
1. 品番の変更
現行製品:MPH-25.4R ⇒
新製品:MPHN-25.4R
現行製品:MPH-25.4R-N ⇒
新製品:MPHN-25.4R-N
(但し、新製品は3/1 初出荷の予定)
2.旧製品(現行製品:MPH-25.4R/MPH-25.4R-N)は2016年5月末で販売終了
もし、ご質問等がございましたら、営業までご連絡ください。
尚、価格についてはこれまで通り変更ございません。
今後も変わらぬご愛顧のほど何卒よろしくお願い申し上げます。
| 旧製品 | 新製品 | |
| 品番 | MPH-25.4R/R-N | MPHN-25.4R/R-N |
| 変更点 | ![]() |
![]() |
| 目盛最小読取:5° | 目盛最小読取:2° | |
| ローレット位置:メモリ側 | ローレット位置:後ろ側 |

