製品についての重要なお知らせ
        ベースプレートBSP-3060 生産終了のご案内
    
    
        2014年12月
シグマ光機株式会社 東京本社 営業部
    シグマ光機株式会社 東京本社 営業部
お客様各位
        拝啓 貴社益々ご清栄の事とお喜び申し上げます。
        また平素は格別のお引き立てを賜り厚く御礼申し上げます。
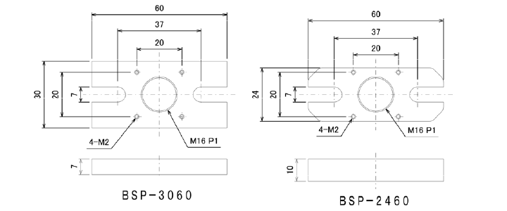
        日頃よりご愛顧頂いております弊社製品『ベースプレート BSP-3060 』ですが、
        誠に勝手ながら後継機種『ベースプレート BSP-2460』への移行により、
        販売は在庫限りとさせて頂きます。
        『ベースプレート BSP-3060』と『ベースプレート BSP-2460』との相違点は
        外形寸法になります。詳細につきましては下図をご参照下さい。
        その他、ご不明な点がございましたら、弊社営業担当までお問合せ下さい。
        今後も変わらぬご愛顧の程、何卒よろしくお願い申し上げます。
    
敬具
    
    記
    
 
     
            