
In stock
SKU
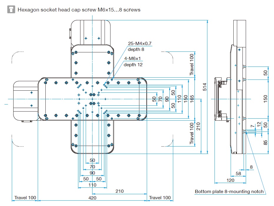
HST-XY
High precision XY axis stages fitted with precision ball screws and precision crossed roller.

Customize product
Filters
Enabled filters :
Remove all filters
Name |
Travel
|
Load Capacity
|
Delivery | Price | Add to cart | |||||||||||||||||||||||||||||||||||
---|---|---|---|---|---|---|---|---|---|---|---|---|---|---|---|---|---|---|---|---|---|---|---|---|---|---|---|---|---|---|---|---|---|---|---|---|---|---|---|---|
details
HST-50XY
|
50mm | 196N (20.0kg) |
2 weeks
|
₹545,080.80
|
|
![]() |
||||||||||||||||||||||||||||||||||
details
HST-100XY
|
100mm | 196N (20.0kg) |
2 weeks
|
₹708,672.80
|
|
![]() |
||||||||||||||||||||||||||||||||||
details
HST-200XY
|
200mm | 196N (20.0kg) |
2 weeks
|
₹888,025.60
|
|
![]() |
You must be logged in to ask questions
◦The combination of HST Series and 3 axis Stage Controllers HSC-103 can perform low-noise and low-vibration operation, compared with conventional products.
◦Steel body offers excellent stiffness and high load capacity.
◦Steel body offers excellent stiffness and high load capacity.